引言
超高壓閥門螺栓廣泛采用各種高強度鋼,隨著材料屈強比的提高,靜強度承載能力也得到提升,但其塑性儲備、應力集中的敏感性、抗疲勞耐力都有所降低[1],在螺栓制造過程中容易產生裂紋和其他缺陷,從而增加疲勞破壞的敏感性[2]。目前超高壓閥門沒有專門標準或規范,設計時主要參考超高壓容器的相關標準或規范,而ASME?BPVC.VIII.3已將疲勞分析作為超高壓容器設計的強制性要求。同時,螺栓疲勞斷裂是超高壓閥門的一種典型失效形式[3],螺栓疲勞斷裂會直接造成法蘭密封失效、超高壓介質外漏,巨大的能量甚至會導致零部件高速飛出,其破壞的程度較一般閥門嚴重的多。因此對超高壓閥門螺栓疲勞壽命分析方法進行研究十分必要。對于閥門螺栓疲勞壽命分析,普通中低壓閥門常采用基于裂紋萌生失效準則的S-N疲勞設計曲線法,該方法是基于實際螺栓疲勞壽命與光滑試樣在相同循環應力特征下的疲勞壽命相同的假設[4],其疲勞曲線是基于光滑試樣的疲勞試驗數據繪制的,并未考慮實際螺栓可能存在的裂紋其缺口根部附近應力梯度的影響[5]。針對超高壓閥門螺栓疲勞問題,施俊俠等[6-7]采用斷宏觀分析、微觀形貌分析、能譜分析、化學成分分析、金相檢驗及力學性能測試等方法。陳孫藝[8]采用有限元分析軟件開展應力應變計算,分別研究超高壓脈沖閥螺栓斷裂原因,但并未涉及超高壓閥門螺栓疲勞壽命定量分析。為此,本文以某超高壓放空閥螺栓疲勞壽命分析為實例,簡要介紹了基于傳統的S-N疲勞設計曲線的超高壓閥門螺栓疲勞壽命分析方法,并著重介紹了一種基于斷裂力學的超高壓螺栓疲勞壽命分析方法,對比分析以揭示一種可以更好地指導超高壓閥門螺栓疲勞壽命分析的工程方法。
1、超高壓放空閥螺栓連接處結構
以某超高壓放空閥為研究對象,其設計壓力為280MPa,操作壓力≤260MPa,設計溫度?-20/100?℃,操作溫度為常溫,設計全壽命疲勞循環次數為12000次(0~260?MPa),用于某超高壓裝置放空出口啟閉頻繁操作,以實現系統中超高壓氣體介質截斷與放空,為系統的關鍵設備,其失效會造成系統無法保壓或泄壓,進而可能導致產生巨大的安全風險。該超高壓閥門也可用于超高壓聚乙烯裝置,用以控制經二次壓縮機壓縮后的超高壓乙烯氣體的通斷。整機結構原理如圖1所示,法蘭螺栓連接處局部放大圖如圖2所示。閥門運行期間螺栓承受頻繁啟閉操作產生的交變載荷,即應力循環形式如圖3所示。


2、基于傳統S-N疲勞設計曲線的超高壓放空閥螺栓疲勞壽命分析方法
螺栓的疲勞失效一般分為兩個階段,即疲勞裂紋萌生階段(包含裂紋成核和小裂紋擴展)和宏觀裂紋擴展階段。當裂紋擴展到一定階段就會發生快速斷裂。相對應的疲勞設計方法即為傳統的基于裂紋萌生失效準則S-N疲勞設計曲線法,以及基于裂紋擴展失效準則的斷裂力學評定?方法。傳統的S-N疲勞設計曲線方法是基于在相同循環應力特征下光滑無原始缺陷試樣與實際螺栓疲勞壽命相同的假設。針對超高壓放空閥螺栓,采用該方法進行螺栓疲勞壽命分析的一般步驟為:
(1)確定循環載荷工況;
(2)通過彈性計算螺栓在整個周期任意時刻的應力狀態;
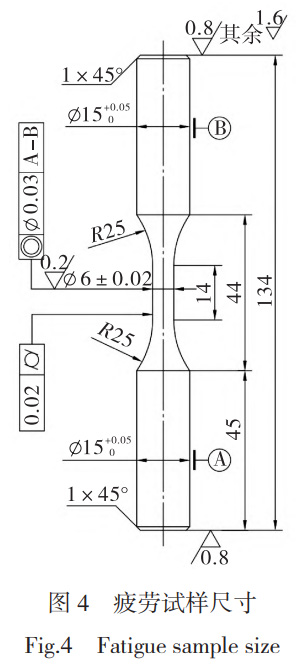
(3)依次確定主應力差、交變應力幅、主應力和、主應力和的均值、平均應力和當量交變應力強度幅;(4)由計算求得的當量交變應力幅查詢S-N疲勞設計曲線,即可得到允許的循環次數N。材料的S-N疲勞設計曲線是通過試驗得到。采用等截面試樣,針對本例35CrNi3MoVR螺栓材料,考慮高強度鋼對表面光潔度的敏感性較高,對試樣的表面光潔度提出了更高的要求,試樣尺寸如圖4所示。試驗程序參考GB/T?15248—2008《金屬材料?軸向等幅低循環疲勞試驗方法》和GB/T?26077—2021《金屬材料?疲勞試驗?軸向應變控制方法》,在疲勞試驗機上進行疲勞測試。

試驗加載方式采用引伸計的軸向應變控制,加載波形為三角波,所有試驗均保持恒定的應變速率,以加載時應力降低75%作為失效判據(此時相當于形成1?mm裂紋的壽命[9])。將各組試樣得到的試驗數據進行擬合得到應變—疲勞壽命擬合曲線,考慮試驗數據的分散性、實際工況與試樣的差異等影響,對獲得的擬合曲線的應變幅和壽命分別取安全系數2和15后的最小值,再乘以彈性模量以獲得虛擬應力幅,最終得到S-N疲勞設計曲線。經計算,超高壓放空閥螺栓當量交變應力強度幅為133.22?MPa,乘以S-N疲勞設計曲線給定的彈性模量(E=195?000?MPa)與具體工況下的35CrNi3MoVR彈性模量(E=206?000?MPa)的比值,即為126.10?MPa,在S-N疲勞設計曲線的縱坐標上讀取該值,通過此點做水平線與疲勞設計曲線相交,交點的橫坐標即為超高壓螺栓的運行循環次數N,且N>100000(GB/T?34019—2017《超高壓容器》只給出了低周疲勞循環曲線,本例已超過該疲勞設計曲線范圍,因此無法得到準確的螺栓疲勞循環次數)。
3、基于斷裂力學的超高壓放空閥螺栓疲勞壽命分析方法
該方法以ASME?BPVC.?VIII.3斷裂力學評價疲勞壽命的方法、API?579-1/ASME?FFS-1中的失效評定圖法(FAD),以及GB/T?34019—2017斷裂力學評定中的合格判定公式為主要依據。機理為假設高強螺栓內部存在無損檢測無法檢測出的原始微小裂紋缺陷,在循環交變載荷作用下,裂紋將發生擴展,裂紋大小達到臨界裂紋尺寸之前處于緩慢拓展狀態,當裂紋擴展到一定深度,其尖端應力強度因子達到臨界應力強度因子,則裂紋達到臨界裂紋尺寸,然后裂紋拓展速率急劇增加并最終引發螺栓斷裂[10]。具體分析步驟為:(1)運用有限元分析軟件對循環載荷作用下的超高壓閥門螺栓開展應力分析,進而確定螺栓裂紋的位置和種類;(2)運用API?579-1/ASME?FFS-1中失效評定圖法(FAD),借助數據處理軟件進行迭代計算,確定螺栓裂紋的臨界裂紋尺寸;(3)根據ASME?BPVC.VIII.3?提供的高強度鋼材料疲勞裂紋擴展速率公式,計算螺栓裂紋的預計循環壽命;(4)根據GB/T?34019—2017斷裂力學分析中的合格判定公式進行評定。
3.1螺栓裂紋位置和類型
超高壓放空閥螺栓材料為35CrNi3MoVR高強度鋼,材料性能指標見表1,疲勞壽命分析時取其下限值。

利用有限元分析軟件建立超高壓放空閥有限元模型,考慮結構與載荷的對稱性,可取1/2模型。由于整體結構復雜,生成結構化網格難度大、耗時長,網格生成時采用非主要部位的非結構化網格與應力集中區域的結構化網格相結合的方法。首先將各部件的網格單獨生成,再將所有部件組裝得到裝配體模型。由各部件網格模型組成的裝配體網格模型如圖5所示,共包含1332732個單元,網格單元階次為二階,類型為Solid?187和Solid?186單元,共3376594個節點。

裝配體邊界條件加載設置如圖6所示。其中,圖6(a)所示①~③表面施加對稱約束邊界條件,其位移值約束為0;圖6(b)所示①~③表面施加均勻壓力載荷,在校核螺栓脆性斷裂時,其內壓載荷設置為260?MPa;圖6(c)所示①~③表面施加固定位移約束。此外,每個螺栓施加大小為?98?kN的預緊載荷。螺栓與螺母、螺栓與閥體之間考慮為緊密無相對移動的接觸,選用“Bonded”接觸對模擬;其余在裝配過程中的接觸關系均考慮為鋼與鋼之間的摩擦接觸,選用“Frictional”接觸對模擬,摩擦系數設置為0.15。

螺栓疲勞校核主要歸結為針對危險部位的校核[11]。根據ASME?BPVC.VIII.3基于裂紋擴展失效的斷裂力學分析方法,在零部件應力集中和應力梯度最大的位置,應假設存在初始裂紋。采用有限元法進行螺栓的彈塑性分析,螺栓法向應力分布如圖7所示。

由圖可知,螺栓應力集中和應力梯度最大處分布于螺栓徑-周向平面,路徑為螺栓徑向。由API?579-1/ASME?FFS-1中關于螺栓裂紋(全稱Bolt?Surface?Crack,Straight?Front?Shape)類型的描述可知,該種形式的螺栓裂紋為徑向直線型的表面裂紋,具體的形狀參數見圖8。

3.2螺栓裂紋臨界裂紋尺寸
按API?579-1/ASME?FFS-1規定,承受交變應力的螺栓裂紋,其臨界裂紋尺寸可用Level?3?Assessment中的Method?A?Assessment計算。根據螺栓所受具體應力分類情況,螺栓裂紋的臨界裂紋尺寸可按梳理簡化后的步驟進行確定:(1)計算螺栓裂紋參考應力σref;(2)計算螺栓裂紋應力強度因子KI;(3)計算出載荷比Lrp=σref/σys與韌性比Kr=KI/Kmat,其中,σys為螺栓材料設計溫度下的屈服強度,Kmat為螺栓材料設計溫度下的斷裂韌性;(4)根據圖9臨界裂紋判定曲線即控制方程式(1)判定是否達到臨界裂紋尺寸。螺栓臨界裂紋判定曲線如圖9所示。


螺栓裂紋參考應力計算方法按API?579-?1/ASME?FFS-1?附錄9C中RBSC方法,詳見公式?(2)~(6)。

式中,σref為螺栓裂紋參考應力;Pm為一次薄膜應力分量;β為參考應力系數;Pbg為一次凈截面彎曲應力;ω為參考應力系數。

式中,F為凈截面軸向力;Rth為螺栓裂紋所在截面根部半徑。

式中,M為凈截面彎矩。

式中,a為螺栓裂紋深度。

螺栓裂紋應力強度因子計算方法按API?579-1/ASME?FFS-1附錄9B中?KBSC方法,詳見公式(7)~(12)。

式中,KI為螺栓裂紋應力強度因子;Mm為用于計算應力強度因子的薄膜應力修正系數;σm為薄膜應力分量;Mb為貫穿彎曲應力分量;σb為用于計算應力強度因子的彎曲應力修正系數。

式中,ξ為用于計算應力強度因子的系數。

按GB/T?34019—2017規定對受壓元件螺栓開展超聲和表面無損檢測,檢測結果符合標準要求。綜合考慮零件結構尺寸以及采用的無損檢測方法精度,假設存在無法檢出的初始裂紋尺寸a0=0.1mm。根據計算臨界裂紋尺寸所需的螺栓裂紋所在平面的法向應力分布,結合圖5和?式(1)~(12),運用數據處理軟件提取并進行迭代計算。計算結果表明:當a=6.7250mm時,Lr=0.958627,Kr=0.629674,在可接受區域內;當a=6.7255?mm時,Lr=0.958671,Kr=0.629716,在不可接受區域內,因此臨界裂紋尺寸ac=6.725?mm。
3.3螺栓裂紋擴展速率
疲勞分析的目的在于求出某一循環載荷作用下,允許的循環次數。根據ASME?BPVC.VIII.3高強度鋼材料的疲勞裂紋擴展速率公式為:

式中,da/dN為裂紋擴展速率;C為裂紋擴展速率系數;RK為應力強度因子比;ΔK為應力強度因子范圍;m為裂紋擴展速率系數。

式中,K*Imax為除殘余應力外所有載荷作用下,裂紋中的最大應力強度因子;K*Imin為除殘余應力外所有載荷作用下,裂紋中的最小應力強度因子。

式中,K*Ires為裂紋殘余應力當量應力強度因子。
超高壓放空閥螺栓無殘余應力作用,即K*Ires=0,另外K*Imin<<K*Imax,根據式(16)可得RK≈0。取RK=0,根據式(14)可得f(RK)=1。對于高強度鋼材料,ASME?BPVC.VIII.3中規定當f(RK)=1時,C=3.64×10-12,m=3.26,代入式(13),可得超高放空閥螺栓裂紋擴展速率為:

3.4螺栓疲勞斷裂失效評定
螺栓裂紋應力強度因子計算按照式(7),螺栓裂紋拓展速率按照式(17)。螺栓裂紋的初始深度設置為a0=0.1?mm,分別取裂紋擴展步長Δa為0.005,0.002,0.001?mm,運用數據處理軟件,分別計算螺栓裂紋拓展到臨界裂紋尺寸ac時所需的循環次數Np,螺栓裂紋拓展至ac/4時所需循環次數Nc,并采用減少裂紋拓展步長Δa的方法進行反復試算,直至Np和Nc值無明顯變化。同時,開展網格的無關性驗證,螺栓部分分別采用2.0,1.5,1.0?mm網格計算,分析其網格收斂性,通過后處理程序,分別對上述網格進行處理,輸出結果見表2。隨著有限元網格精細程度增加,整體結構自由度增加,結構變軟,應力集中現象略微減弱,臨界裂紋尺寸及疲勞極限均略有增加,但是相對變化量小于2%,已收斂。在本次有限元分析采用的1?mm網格尺寸下,可獲得足夠精確的數據。

將循環次數計算值與設計全壽命疲勞循環次數n=12?000,按GB/T?34019—2017中疲勞失效評定式(18)進行判定,若滿足,則螺栓疲勞斷裂失效評定合格;否則,應通過改變操作條件、閥門(含螺栓)結構尺寸等措施,重復(3.1~3.4)步驟,直至滿足。

螺栓疲勞評定結果見表3。可知,按不同擴展步長計算的總循環次數非常接近,保守取Δa=0.001?mm時作為計算結果。因此,超高壓放空閥螺栓疲勞斷裂失效評定結果合格。

通過對比兩種超高壓放空閥門螺栓疲勞壽命分析方法的具體過程可知,其有以下區別:
(1)傳統的S-N疲勞設計曲線方法是基于裂紋萌生失效準則,而基于斷裂力學的疲勞壽命分析方法是基于裂紋擴展失效準則的;
(2)傳統的S-N疲勞設計曲線方法是以假設超高壓閥門螺栓本身無原始缺陷為前提的,而基于斷裂力學的疲勞壽命分析方法是基于假設超高壓閥門螺栓本身存在微小的原始缺陷為前提的;
(3)傳統的S-N疲勞設計曲線是基于光滑試樣的疲勞試驗數據繪制的,并未考慮實際螺栓中可能存在的裂紋其缺口根部附近應力梯度影響;
(4)傳統的S-N疲勞設計曲線法以相同應力特征下高強鋼疲勞試樣的裂紋萌生至1?mm的循環次數為螺栓疲勞壽命,而基于斷裂力學的疲勞壽命分析方法以實際高強鋼螺栓的裂紋擴展至6.725?mm時總循環數的一半為螺栓疲勞壽命。同時,相比普通中低壓閥門螺栓,超高壓閥門螺栓有以下特點:
(1)超高壓閥門螺栓通常采用高強度鋼材料,由于材料塑性儲備的降低,螺栓在制造過程中容易存在一些較小及不同形狀的缺口,如氣孔、夾渣及裂紋等;
(2)超高壓閥門螺栓工作應力水平更高,缺口局部地區的應力梯度也更高,對疲勞壽命分析結果準確性的影響更加明顯;
(3)對出現裂紋的在役超高壓閥門螺栓剩余壽命的預測的關鍵在于失效判定時的臨界裂紋尺寸,傳統的S-N曲線方法過于保守,進而會導致裝置提前停車檢修等不必要的經濟浪費。通過以上分析可知,針對超高壓閥門高強螺栓具體特點,采用基于裂紋擴展失效準則的斷裂力學評定方法更加精確。提高超高壓閥門螺栓的疲勞壽命的主要措施有:
(1)提高超高壓閥門螺栓鍛件的純凈度,以降低雜質元素含量,控制夾雜物含量和低倍組織缺陷,并提高材料的斷裂韌性,應采用如電渣重熔、真空感應和真空自耗等精煉工藝[12-17];
(2)優化超高壓閥門螺栓的結構設計,改善螺栓應力分布,降低平均應力和應力幅,減少應力集中,并提高應力集中部位的表面光潔度;
(3)應優化無損檢測方法,提高無損檢測靈敏度和檢測率,嚴格控制超高壓閥門螺栓原始缺陷及缺陷尺寸。
4、結論
(1)傳統的S-N疲勞設計曲線法,因其是建立在光滑無原始缺陷的試樣基礎上,考慮疲勞強度減弱系數后估算的疲勞壽命,方法更為保守。同時現有標準中提供的典型高強鋼疲勞壽命曲線為低周疲勞壽命曲線(N≤100?000),難以滿足諸如高周疲勞壽命設計或無限疲勞壽命設計的超高壓閥門螺栓工程設計需求。
(2)對于采用高強鋼鍛件的超高壓閥門螺栓,考慮螺栓在較大的預緊力和工作壓力作用下,危險部位所受平均應力以及應力梯度較大,同時高強鋼螺栓在制造過程中容易產生裂紋等缺陷。相較于傳統的基于裂紋萌生失效準則的S-N疲勞設計曲線法,采用假設存在原始裂紋缺陷的、基于裂紋擴展失效準則的斷裂力學方法預測超高壓閥門螺栓疲勞壽命更加精確。
(3)提升超高壓閥門螺栓疲勞壽命的方法為提高鍛件的純凈度、降低夾雜物含量和控制低倍組織缺陷;同時改善螺栓應力分布,提高加工質量,以及提高無損檢測靈敏度,嚴格控制原始缺陷及其尺寸。
參考文獻:
[1]? 邵國華 . 超高壓容器[M]. 北京:化學工業出版社, 2002. ?
SHAO?G?H.Ultra-high?pressure?vessel[M].Beijing: Chemical?Industry?Press,2002.
[2]? 王衛 . 高強高韌均質化 Cr-Ni-Mo-V 系鋼的研究 [D].?秦皇島:燕山大學,2016. ?
WANG?W.Study?of?high?strength?and?high?toughness? homogenizing? Cr-Ni-Mo-V? series? steels[D]. Qinhuangdao:Yanshan?University,2016.
[3]? 耿圣陶,王渭,明友,等 . 超高壓閥門的研究進展
[J]. 流體機械,2023,51(48):33?-?42. ? GENG?S?T,WANG?W,MING?Y,et?al.Progress?in?the? research?of?the?ultra-high?pressure?valves[J].Fluid? Machinery,2023,51(48):33?-?42. [4]? 邱海輝 . 超高壓壓縮機氣缸及進出口螺栓的疲勞壽 命分析[J]. 石油化工安全技術,2005,21(6):27?-?31.
QIU?H?H.Fatigue?life? analysis? of?the? cylinder? and? the?connecting?bolts?at?inlet?and?outlet?of?superhigh?pressure?compressors[J].Petrochemical?Safety? Technology,2005,21(6):27?-?31.
[5]? 陶京 . 基于 S-N 曲線和斷裂力學的自升式平臺樁腿 疲勞壽命研究[D]. 大慶:東北石油大學,2021. ?
TAO?J.Study?on?fatigue?life?of?jack-up?platform?pile? leg?based?on?S-N?curve?and?fracture?mechanics[D].? Daqing:Northeast?Petroleum?University,2021.
[6]? 施俊俠,宮恩祥,魯飛,等 . 高壓聚乙烯裝置 PV210T 脈沖閥螺栓斷裂原因分析[J]. 流體機械, 2002,30(3):39?-?41.
SHI? J?X,GONG?E?X,LU?F,et?al.The?analysis?about? the?reason?of?bolt-breaking?in?the?PV-210T?pulse?valve? used?in?high?pressure?polyethylene?equipment[J].? Fluid?Machinery,2002,30(3):39?-?41.
[7]? 呂廣紅,黃崇林,鐘經山 . 超高壓脈沖閥螺栓斷裂失 效原因分析[J]. 裝備制造技術,2014(8):183?-?185. ?
LYU?G?H,HUANG?C?L,ZHONG?J?S.Fracture?failure? analysis?of?super?high?pressure?pulse?valve?bolt[J]. Equipment?Manufacturing? Technology,2014(8):? 183?-?185.
[8]? 陳孫藝 . 超高壓脈沖閥螺紋連接強度分析[J]. 石 油化工設備技術,2011(2):14?-?18. ?
CHEN?S?Y.Strength?analysis?of?the?threaded?connection? for?ultrahigh?pressure?pulse?valve[J].Petro-chemical? Equipment?Technology,2011(2):14?-?18.
[9]? 李濤 . 基于失效模式的超高壓容器設計關鍵技術 研究[D]. 杭州:浙江大學,2018. ? LI? T.Research? on? some?key?issues?in?the?design? of? ultra-high?pressure?vessels?based?on?failure?modes?[D]. Hangzhou:Zhejiang?University,2018.
[10]?王崇 . 高壓聚乙烯裝置擠出機離合器螺栓失效分 析[D].?青島:中國石油大學(華東),2016.
WANG?C.Fatigue?analysis?on?clutch?bolt?of?extruder?at? high-pressure?polyethylene?plant[D].Qingdao:China? University?of?Petroleum(East?China),2016.
[11]? KEDZIORA?S,CAO?T?B.Optimum?autofrettage?pressure? of?hydrogen? valve?using?finite? element? and?fatigue? analysis[J].Engineering,2020,12(1):1?-?24.
[12]? 孫燦興,黃增,任旺,等 . 某液壓打樁錘專用組合插 裝閥的建模與仿真[J]. 機電工程,2022,39(12): 1678?-?1685.
SUN? C?X,HUANG? Z,REN?W,et? al.Modeling? and? simulation? of? special? combined? cartridge? valve?for? hydraulic?pile?hammer[J].Journal?of?Mechanical?&? Electrical?Engineering,2022,39(12):1678?-?1685.
[13]? 王珂,孫光毅,安博,等 . 人字形角對導孔型板殼式 換熱器殼程流體流動與傳熱特性的影響[J]. 壓力 容器,2023,40(3):7?-?15.
WANG?K,SUN?G?Y,AN?B,et?al.Effect?of?herringbone? angle?on?flow?and?heat?transfer?characteristics?of?the? fluid?on?shell?side?of?guide?groove?type?shell-and-plate? heat? exchanger[J].Pressure?Vessel? Technology, 2023,40(3):7?-?15.
[14]? 牛建新,戴峰澤,裴智鵬,等 . 激光沖擊強化 316 不 銹鋼的滾動接觸疲勞性能[J].排灌機械工程學報, 2022,40(1):97?-?101. ?
NIU? J?X,DAI? F? Z,PEI? Z? P,et? al.Rolling? contact? fatigue?performance?of?316? stainless? steel?treated?by? laser? shock?processing[J].Journal?of?Drainage?and? Irrigation? Machinery? Engineering,2022,40(1):? 97?-?101.
[15]? 呂家皓,吳欣,何磊 . 基于多目標遺傳算法和反向 傳播神經網絡的調節閥流道結構優化[J]. 機電工 程,2023,40(12):1880?-?1888. ?
LYU?J?H,WU?X,HE?L.Optimization?of?control?valve? flow?channel?structure?based?on?MOGA?and?BPNN[J]. Journal?of?Mechanical?&?Electrical?Engineering,2023, 40(12):1880?-?1888.
[16]? 張海洋,梁全,王志科,等 . 基于遞推最小二乘法的 閥控缸液壓系統控制策略[J]. 機電工程,2023,? 40(11):1743?-?1751.
ZHANG?H?Y,LIANG?Q,WANG? Z?K,et? al.Control? strategy?of?valve?controlled?cylinder?hydraulic?system? based?on?recursive?least?square?method[J].Journal?of? Mechanical?&?Electrical?Engineering,2023,40(11): 1743?-?1751.
[17]? 魯飛,陳正文,韋志超,等 . 超高壓泵承壓件優化設 計方法[J]. 流體機械,2022,50(9):20?-?25. ?
LU?F,CHEN?Z?W,WEI?Z?C,et?al.Optimization?design? of?pressure?parts?of?ultra-high?pressure?pump[J].Fluid? Machinery,2022,50(9):20?-?25.??????
作者簡介:耿圣陶(1988),男,工程師,主要從事特種閥門 產品研發相關工作,E?-?mail:[email protected]。
通信作者:王渭(1968),男,教授級高工,主要從事特種閥 門產品研發相關工作,通信地址:230031? 安徽省合肥市長江西 路 888 號合肥通用機械研究院有限公司,E?-?mail:ww_xuy@163. com。
無相關信息
tengyuti.com
騰宇微信二維碼